PR
NEXCO西日本は、1月10日から12日にかけて、西日本の広範囲で降雪が予想されることから、高速道路の一部区間で「予防的通行止め」を実施する可能性があると発表しています。
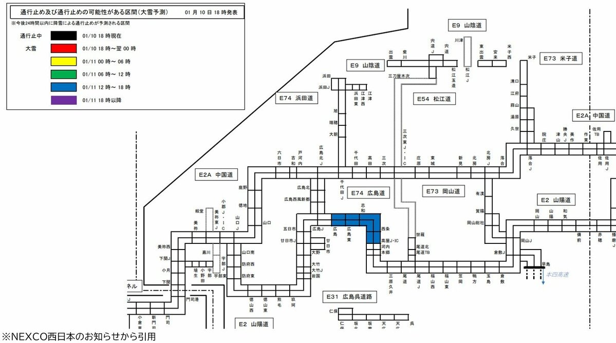
NEXCO西日本が管理する高速道路のうち、通行止めの可能性がある区間は次の通りです。(10日午後6時現在)
▼関西地方
【阪和道】
・岸和田和泉IC~阪南IC 11日午前6時以降
・有田IC~広川IC 11日午後6時以降
【関空道】
・泉佐野JCT~りんくうJCT 11日午前6時以降

大動脈「山陽道」も 中国・四国地方の予防的通行止めの可能性がある区間は?
▼中国地方
【山陽道】
・高屋JCT~広島IC 11日正午以降

▼四国地方
【徳島道】
・井川池田IC~川之江JCT 11日午前6時以降
【高知道】
・川之江東JCT~大豊IC 11日午前6時以降

大動脈「九州道」も 九州地方の予防的通行止めの可能性がある区間は?
▼九州地方
【九州道】
・八幡IC~福岡IC 11日午前6時以降
・八代JCT~人吉IC 11日午前6時以降

NEXCO西日本は、「一台でも自力走行不能車両が発生すると、長時間の渋滞や通行止めにつながる可能性がある」として、▼冬用タイヤの装着と▼タイヤチェーンの携行、▼最新の道路交通情報の確認を呼びかけています。
山陽道が通行止めとなった場合は国道2号で混雑予想 国道事務所「不要不急の外出控えて」呼びかけ
国土交通省広島国道事務所は、山陽道が予防的通行止めとなった場合、国道2号で混雑が発生する可能性があるとして「不要不急の外出は控え、やむを得ず外出する場合は燃料を満タンにして、冬用装備の携行をお願いします」としています。
広島高速道路公社は、山陽道が予防的通行止めとなった場合、接続する広島高速1号線の都市高速広島東IC~馬木ICの間を通行止めにすると発表しています。
※10日時点の情報です。お出かけの際は最新の情報をご確認ください。
完全無料で広島情報


コメント (0)
IRAWアプリからコメントを書くことができます